Опоры ходового винта

Цена, руб.
от
до
Бренд
Серия
показать ещё...
Внутренний диаметр
показать ещё...

По вашему запросу товаров не найдено

Задать вопрос

Подшипниковая опора ходового винта предназначается для надежного фиксирования шарико-винтовой передачи (ШВП) или используется в устройствах автоматизации и станках ЧПУ.

Применение шарико-винтовых передач обеспечивает ряд преимуществ:

  • точное позиционирование;
  • высокий КПД;
  • возможность преднатяга.

Указанные преимущества имеют возможность проявить себя лишь при тех условиях, если винт передачи не провисает и зафиксирован в радиальном и осевом направлениях. Чтобы соблюдать эти условия, максимальная длина винта рассчитывается исходя из максимальных нагрузок и диаметра ШВП, а на обоих концах устанавливается подшипниковая опора.

Серии опор ходового винта

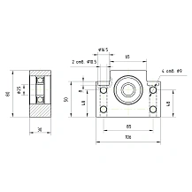
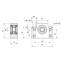
Подшипниковая опора представлена несколькими сериями, отличающимися расположением оси винта и особенностями ее крепления (присоединение к приводному или свободному концу):

  • ВК. Имеет стальной корпус, монтажное отверстие, защищенные от грязи и пыли два радиальных подшипника. Крепление универсальное – перпендикулярно или параллельно монтажной плоскости.
  • BF. Характеризуется стальным корпусом, отверстием для монтажа, радиальным подшипником. Крепится перпендикулярно или параллельно по отношению к монтажной плоскости.
  • FK. Оснащен двумя радиальными подшипниками. Крепление осуществляется фланцем к плоскости.
  • FF. Имеет один радиальный подшипник. Отверстия располагаются таким образом, что обеспечивает крепление фланцем к монтажной плоскости.

Выбирая тот или иной ходовой винт, необходимо обращать внимание на его серию. В ее аббревиатуре первая буква указывает на расположение оси. Так, BK и BF применяются при построении кинематических горизонтальных схем, FF и FK – вертикальных. Вторая буква обозначает, к какому концу должна крепиться опора. FF и BF монтируются к станине, выполняя тем самым поддерживающую функцию. FK и BK предназначены для фиксации приводного конца винта и крепятся на корпус привода.

Где купить опору ходового винта

Каталог интернет-магазина Purelogic R&D включает большой выбор опор ходового винта по доступным ценам. Мы предлагаем исключительно высококачественный товар от надежных производителей и обеспечиваем доставку продукции в любой уголок России. При необходимости оказываем помощь в выборе подходящих под ваши задачи деталей, комплектующих и устройств.

Наши преимущества
Собственное
производство

Наша компания активно занимается развитием собственного производства. Большую часть прибыли мы инвестируем в разработки новых устройств и программного обеспечения. Это наш вклад в развитие отечественного рынка станкостроения.

Программное
обеспечение

Основываясь на опыте зарубежных коллег, мы создали с нуля отечественное ПО PUMOTIX, которое соответствует всем современным требованиям. Мы не только поддерживаем клиентов при работе с нашей ЧПУ-системой, но и добавляем функции в соответствии с пожеланиями пользователей.

Широкий
ассортимент

В настоящий момент на наших складах более 15 000 единиц продукции. Ежегодно мы увеличиваем ассортимент и запасы товара, что позволяет нам оперативно реагировать на запросы наших клиентов.

Контроль
качества

Наличие собственного отдела технического контроля и сервиса, позволяет нам контролировать товары на каждом этапе: от поступления комплектующих до отгрузки готовой продукции, включая все этапы производства.

Квалифицированные
сотрудники

У нас работают опытные и прогрессивные специалисты – это позволяет нам идти в ногу со временем, постоянно придумывая что-то новое и совершенствуя свои продукты.

Техническая
поддержка

Специалисты технической поддержки всегда готовы ответить на любые вопросы по настройке оборудования или ПО, при необходимости выезжают с мастер-классами к клиентам для осуществления обучения по новым товарам, настройки и подключения оборудования.

Наши
гарантии

Мы зарекомендовали себя на рынке станкостроения, выполняя свои обязательства с 2005 года. География наших партнеров включает в себя 24 страны. Мы уверены в качестве своей продукции, и это позволяет нам быть надёжным поставщиком лидирующих станкостроителей России и стран СНГ.

Надежные
поставщики

Purelogic R&D более 10 лет занимается поставкой механических, мехатронных, электронных и электрических комплектующих ведущих производителей из США, Англии, Нидерландов, Германии, Тайваня и Китая.

© Purelogic R&D, 2007-2024